Ressourcenbedarf und -verfügbarkeit für treibhausgasneutralen Flugverkehr
PtX Lab Study | 01/2025 (akt. Fassung: 05/2025) | Thema: Ressourcen | 237 Seiten
Die Autor*innen Angee Fehling und Dr. Dinh Du Tran (DECHEMA e.V.) sowie Anja Paumen und Dr. Lorenzo Cremonese (PtX Lab Lausitz) zeigen in der vorliegenden PtX Lab Studie Ressourcenbedarf und -verfügbarkeit für treibhausgasneutralen Flugverkehr,
- welche mineralischen Rohstoffe für die Produktion von E-Kerosin (Sustainable Aviation Fuels, SAF) erforderlich sind und
- welche Voraussetzungen eine nachhaltige und wirtschaftliche Herstellung ermöglichen.
Bibliographische Daten
- Publikation: Ressourcenbedarf und -verfügbarkeit für treibhausgasneutralen Flugverkehr
- Veröffentlichungsdatum: 20. Januar 2025 (aktualisierte Fassung: Mai 2025)
- Herausgeber: PtX Lab Lausitz – Praxislabor für Kraft- und Grundstoffe aus grünem Wasserstoff, Calauer Straße 70, 03048 Cottbus
- Autor*innen: Angee Fehling, Johanna Gassenheimer, Dr. Dinh Du Tran, Dr. Rita Schulze, Dr. Ramona Simon, Dr. Philip Ruff (alle DECHEMA e. V.)
- Projektleitung: Anja Paumen, Dr. Lorenzo Cremonese (alle PtX Lab Lausitz)
- Zitiervorschlag: PtX Lab Lausitz (2025): Ressourcenbedarf und -verfügbarkeit für treibhausgasneutralen Flugverkehr
Über die PtX Lab Studie
Die PtX Lab Study Ressourcenbedarf und -verfügbarkeit für treibhausgasneutralen Flugverkehr hat die DECHEMA im Auftrag des PtX Lab Lausitz erstellt. Die 237-seitige Publikation entstand unter der Federführung von Dr. Harry Lehmann, dem Leiter des PtX Lab Lausitz, sowie den Projektleitenden Anja Paumen und Dr. Lorenzo Cremonese. Letztere koordinieren die PtX Lab-Arbeitsgruppe „Ressourcen“, die sich mit der Verfügbarkeit kritischer Rohstoffe, seltener Erden und anderer Materialien befasst, die für den Markthochlauf von Power-to-Liquid(PtL)-Produkten erforderlich sind.

Copyright: PtX Lab Lausitz / Steffen Rasche
Mineralische Rohstoffe sind entscheidend für den Erfolg der Energiewende und die Transformation der Industrien. Es ist daher enorm wichtig, zu identifizieren, welche Rohstoffe bis wann in den verschiedenen Industriesektoren der EU gebraucht werden.
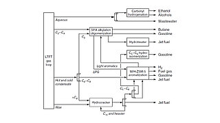
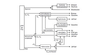
Ressourcenabdeckung im Flugverkehr: Kobalt, Kupfer und Co.
Mindestens fünf Millionen Tonnen E-Kerosin muss bis 2050 quotengerecht an deutschen Flughäfen zugetankt werden. Um diese Produktionsmenge sicherzustellen, müssen zwischen 12 bis 17 Millionen Tonnen Material bewegt und bereit gestellt werden – inklusive Abraum. Darunter sind auch Metalle und Minerale, die ebenso in anderen transformativen Industrien nachgefragt und von der Europäischen Union als kritisch eingestuft werden.
Laut den Verfasser*innen der Studie sind Knappheiten unter anderem bei Kobalt und Platin, die häufig in Katalysatoren eingesetzt werden, und Iridium, welches in bestimmten Elektrolyseuren genutzt wird, zu befürchten. Ein möglichst ressourcenschonender Umgang sollte aber auch bei den besser verfügbaren Rohstoffen Kupfer und Zink, die ebenso in Katalysatoren Verwendung finden, und dem unkritischeren Nickel angestrebt werden.
Wege zur Produktion ausreichender Mengen E-Kerosin
Technologische Innovationen allein reichen nicht, um die Luftfahrt zu transformieren. Nur der vollständige Ersatz fossilen Kerosins durch nachhaltige Alternativen ermöglicht das Erreichen der Klimaziele. Die Studie nennt dafür folgende Schritte:
- Fokussierung auf ressourcenschonendste Teilprozesse zur Herstellung von E-Kerosin entlang gesamter Wertschöpfungskette
- Integration der E-Kerosin-Technologien in bestehende Infrastrukturen
- Etablierung internationaler Partnerschaften und sicherer Lieferketten
- Förderung von Recyclingstrategien und einer international abgestimmten, nachhaltigen Kreislaufwirtschaft
Kontakt
Dr.
Harry Lehmann
Leiter PtX Lab Lausitz
+49 151 40 171 692
E-Mail schreiben
weitere Informationen
Kontakt
Dr.
Sarah Bernhardt
Fachgebietsleiterin PtX Grundstoffe
+49 173 56 150 72
E-Mail schreiben
weitere Informationen